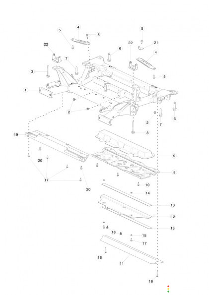
Передняя балка (подрамник) Tesla Model S 2016-2021, 1039603-00-D | 1039603-00-D
Адрес
Беларусь, Минск, Колодищи, ул. Тенистая 26А
Способы оплаты
- Наличные
- Банковская карта
- Безналичный расчет
Стоимость доставки
Более 15 000 запчастей для TESLA
В наличии на складе в Беларуси
Быстрая доставка в Россию и СНГ
В наличии на складе в Беларуси
Быстрая доставка в Россию и СНГ
Условия гарантии
На весь товар в нашем магазине предоставляется гарантия 14 дней.
Отзывы

Ищешь для друга? - Поделись!
Передняя балка (подрамник)
Цена не указана
Под заказ
Минск
Примечание
FRONT SUB-FRAME NUT PLATE ASSEMBLY / Передний подрамник с гайкой в форме пластины в сборке / Пярэдні падрамнік з гайкай ў форме пласціны ў зборцы (1039603-00-D). *** TESLASHOP BY - это более 10 000 запчастей и аксессуаров для TESLAModel 3, Model X, Model S, Model Y - с гарантией, в наличии на складе!.
Артикул | 1039603-00-D |
---|---|
Марка | Tesla |
Модель | Model S |
Поколение | 1 поколение [рестайлинг] (2016-2021) |
Год | 2020 |
Ориг. номера | 1039603-00-D |