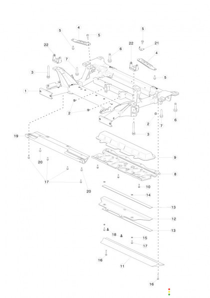
Передняя балка (подрамник) Tesla Model S 2012-2016, 1050488-00-B | 1050488-00-B
Адрес
Беларусь, Минск, Колодищи, ул. Тенистая 26А
Способы оплаты
- Наличные
- Банковская карта
- Безналичный расчет
Стоимость доставки
Более 15 000 запчастей для TESLA
В наличии на складе в Беларуси
Быстрая доставка в Россию и СНГ
В наличии на складе в Беларуси
Быстрая доставка в Россию и СНГ
Условия гарантии
На весь товар в нашем магазине предоставляется гарантия 14 дней.
Отзывы

Ищешь для друга? - Поделись!
Передняя балка (подрамник)
Цена не указана
Под заказ
Минск
Примечание
Оригинальное название запчасти в каталоге Tesla Model S 2012-2016 - UNDERHOOD APRON ABSORBER - REAR - DUAL MOTOR / Амортизатор подкапотного фартука - Задний - Полноприводная модель / Амартызатар падкапотнага фартуха - Задні - Паўнапрывадная мадэль (1050488-00-B). *** TESLASHOP BY - это более 10 000 запчастей и аксессуаров для TESLAModel 3, Model X, Model S, Model Y - с гарантией, в наличии на складе!.
Артикул | 1050488-00-B |
---|---|
Марка | Tesla |
Модель | Model S |
Поколение | 1 поколение (2012-2016) |
Год | 2016 |
Ориг. номера | 1050488-00-B |