бу запчасти в Кыргызстана

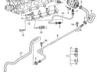
06J906051D клапан ТНВД


CARRO . Бизнес - (софт) программа для авторазборки
Отзывы о продавцах
GARAGE-AUTO
Деталья куча
Schturman.by
Заказывала фару на Мерседес в Гродно.Нужно было срочно починить и поехать на авто за границу.Менеджер перепутал кузов,в результате чего...
Ф-АВТО
Ф-АВТО
Очень хорошо работают: быстро, чётко. Большой выбор запчастей.
OOO "АЛЛ СЕЛЛ БЕЛ"
Никому не рекомендую! Договорились на покупку неповрежденных запчастей. После оплаты отправили водителя забирать запчасти. Наш водитель...
Autopriwos
BM-AVTO
Отличная разборка,доступные цены,все в наличии,помощь при установке,сервис супер ,всем советую
Р-Авто
большой выбор
Авторазборка Еврошрот
Black-avto
Отличный персонал, приветливый, дружелюбный. Хотел купить у них датчик ускорения, с условием выяснит в нем ли причина неработоспособнос...
 
Не нашли необходимую запчасть в Кыргызстане?
Мы подобрали для вас список запчастей, удовлетворяющих вашему запросу в других странах: Беларусь (carro.by), Грузия (carro.ge), Казахстан (carrokz.com), Россия (carro.su)
5 часов назад
Форсунка Volkswagen Golf-6 2008-2012
Артикул: 10413367
0 KGS
Двигатель1.4, TFSI, бензин
Номера03C906036F
Тип кузовахетчбэк 5 дв.
Тип КППМКПП
Европа С топливной рампой 06J906051D 3шт
7 часов назад
Клапан ТНВД Volkswagen Passat B7 2011-2015
Артикул: 45790
1 329 KGS
Двигатель2.0, бензин
Номера06J906051D
Тип КППМКПП
с двигателя CCZ, на рампе.
9 часов назад
Датчик давления топлива Skoda Yeti 2009-2014
Артикул: 527025
0 KGS
Двигатель1.2, CBZB, бензин
Номера06J906051D
Тип кузовахетчбэк 5 дв.
Тип КППАКПП
Приводпередний
Цвет1z / f9r
9 часов назад
Датчик давления топлива Volkswagen Passat B7 2011-2015
Артикул: 527023
0 KGS
Двигатель1.8, CDAA, бензин
Номера06J906051D, HPS20BPK
Тип кузоваседан
Тип КППАКПП
Приводпередний
Цвет8e / a7w
Датчик давления топлива Volkswagen Passat B7.
9 часов назад
Датчик давления топлива Skoda Superb 3T5 2008-2013
Артикул: 27836
0 KGS
Номера06J906051D
Бензин.\n\nПрименяется: Audi A1 (8X) 2010-2018 Audi A3 [8P1] 2003-2013 Audi A3 [8PA] Sportback 2004-2013 Audi A4 [B7] 2005-2007 Audi A4 [B8] 2007-2015 Audi A4 [B8] Allroa...
Санкт-Петербург
9 часов назад -5%
Датчик давления топлива Volkswagen Passat 2011-2015
Артикул: 64254
0 KGS 0 KGS
скидка только на CARRO
Двигатель2.0, TFSI, бензин
Номера06J906051D, 06J906051B, 0261545016 и ещё 6
Тип кузоваседан
Доставка в любой Город. Поставки из Японии и Швеции. Гарантия. Аналоги (Совместимость с ДВС): 0261545016,0261545035,0261545051,03C906051H,06J906051,06J906051B,06J906051D,...
9 часов назад -5%
Датчик давления топлива Volkswagen Passat 2011-2015
Артикул: 61504
0 KGS 0 KGS
скидка только на CARRO
Двигатель2.0, TFSI, бензин
Номера06J906051D, 06J906051B, 0261545016 и ещё 6
Тип кузоваседан
Доставка в любой Город. Поставки из Японии и Швеции. Гарантия. Аналоги (Совместимость с ДВС): 0261545016,0261545035,0261545051,03C906051H,06J906051,06J906051B,06J906054B,...
9 часов назад -5%
Датчик давления топлива Volkswagen Passat 2011-2015
Артикул: 59709
0 KGS 0 KGS
скидка только на CARRO
Двигатель2.0, TFSI, бензин
Номера06J906051D, 06J906051B, 0261545016 и ещё 6
Тип кузоваседан
Доставка в любой Город. Поставки из Японии и Швеции. Гарантия. Аналоги (Совместимость с ДВС): 0261545016,0261545035,0261545051,03C906051H,06J906051,06J906051B,06J906054B,...
10 часов назад -5%
Датчик давления топлива Volkswagen Passat 2011-2015
Артикул: 58084
0 KGS 0 KGS
скидка только на CARRO
Двигатель2.0, TFSI, бензин
Номера06J906051D, 06J906051B, 0261545016 и ещё 6
Тип кузоваседан
Доставка в любой Город. Поставки из Японии и Швеции. Гарантия. Аналоги (Совместимость с ДВС): 0261545016,0261545035,0261545051,03C906051H,06J906051,06J906051B,06J906051D,...
10 часов назад
Датчик давления топлива Audi A4 B8/8K 2007-2012
Артикул: 310125-012
0 KGS
Двигатель2.0, дизель
Номера06J906051D
10 часов назад
Датчик давления топлива Audi A4 B8/8K 2007-2012
Артикул: 310125-011
0 KGS
Двигатель2.0, дизель
Номера06J906051D
12 часов назад -5%
Датчик давления топлива SEAT Leon 2005-2012
Артикул: 006061
1 051 KGS 998 KGS
Двигатель1.2, TSI, бензин
Номера06J906051D
Тип КППМКПП
Приводпередний
CBZ. Из Англии. Хорошее состояние.
14 часов назад
Датчик давления топлива Audi RS6 Performance C7 4G 2014-2018
Артикул: 21435
0 KGS
Номера06J906051D
Оригинал в рабочем состоянии топливный датчик на рампе ауди рс6
14 часов назад
Датчик давления топлива Audi RS6 Performance C7 4G 2014-2018
Артикул: 21434
0 KGS
Номера06J906051D
Оригинал в рабочем состоянии топливный датчик на рампе ауди рс6
15 часов назад
Датчик давления топлива Audi RS7 C7 2014-2018
Артикул: 15552
0 KGS
Номера06J906051D
Тип КППАКПП
Оригинал, в отличном состоянии. по запросу предоставим видео. Подходит Для моделей Audi A1, 8X1, 8XA Audi A3, 8P1, 8P7, 8PA Audi A4 allroad quattro, 8KH Audi A4, 8K2, 8K5...
16 часов назад
Топливная рампа Volkswagen Golf 2003-2009
Артикул: 25824
1 773 KGS
Двигатель1.4, бензин
Номера06J906051D, 0261545051, 28418702AQ
Тип КППМКПП
CAXA Из Дании. Хорошее состояние. Снята с двигателя с небольшим пробегом. Проверочный срок предоставляется
17 часов назад
Датчик давления топлива Volkswagen Tiguan 2007-2011
Артикул: 1594130
0 KGS
ДвигательTSI, бензин
Номера06J906051D, 06J906054B
Тип кузовавнедорожник 5 дв.
Тип КППАКПП
Состояние Отличное. Товар полностью работоспособен. Могут присутствовать незначительные следы эксплуатации, царапины на лакокрасочном покрытии, а также следы снятия/устан...
17 часов назад
Топливная рампа Volkswagen Golf mk6 2008-2012
Артикул: 24624
0 KGS
Двигатель1.2
Номера03F133320C
Топливная рампа рейка магистраль - 03F133320C , датчик давления 06J906051D \nПробег автомобиля: 71.600 км \nУказана цена только ДЛЯ ПОЛЬЗОВАТЕЛЕЙ текущего ресурса\n— Отзы...
Нижний Новгород
17 часов назад
Датчик давления топлива Audi RS6 C7 2012-2014
Артикул: 8170
0 KGS
Двигатель4.0, дизель
Номера06J906051D
Оригинал, в рабочем состоянии
17 часов назад
Датчик давления топлива Audi RS6 C7 2012-2014
Артикул: 8169
0 KGS
Двигатель4.0, дизель
Номера06J906051D
Оригинал, в рабочем состоянии
18 часов назад
Топливная рампа Volkswagen Passat B7 2011-2015
Артикул: 10035
0 KGS
Двигатель1.4, бензин
Номера06J906051D
Стоимость с датчиком. В хорошем состоянии из Европы Гарантия 14 дней.

Подходит ещё на 1 авто:
21 час назад
Датчик давления топлива Audi A4 B8/8K 2007-2012
Артикул: 00017406
0 KGS
Двигатель2.0, BWT, бензин
Номера06J906051D, 06J906051B, 0261545051
Тип кузоваседан
Тип КППАКПП
цена может меняться в зависимости от курсов валют - конечную стоимость уточняйте.

21 час назад
Датчик давления топлива Audi A4 B8/8K 2007-2012
Артикул: 09919765
0 KGS
Двигатель2.0, BWT, бензин
Номера06J906051D, 06J906051B, 0261545051
Тип кузоваседан
Тип КППАКПП
цена может меняться в зависимости от курсов валют - конечную стоимость уточняйте.

21 час назад
Датчик давления топлива Audi A4 B8/8K 2007-2012
Артикул: 09919807
0 KGS
Двигатель2.0, BWT, бензин
Номера06J906051D, 06J906051B, 0261545051
Тип кузоваседан
Тип КППАКПП
В топливной рампе. цена может меняться в зависимости от курсов валют - конечную стоимость уточняйте.

Показать ещё
На странице 30 объяв. из 36

Рейтинг: 4.44 / Оценок: 227255